PRG - Вопрос по доработке iProg+ Pro v87 | Страница 2 | benzpro
  • Новичкам - картинки загружать на СТОРОННИЕ фотохостинги, и с их помощью получать BB-CODE для встраивания в сообщение форума!
  • Не размещайте фотографии экранов без реальной необходимости. Всегда указывайте КОДЫ неисправности + РАСШИФРОВКА, и если есть - прикладывайте короткий тест с сопутствующими ошибке данными или PDF с ошибкой и сопутствующими данными! Это коротко - ФРИЗЫ.
  • Если вам задали вопрос : КАКАЯ МАШИНА - это значит, что данные, которые вы предоставили в описании никак не описывает конкретную модель, и нужно указывать VIN.

PRG Вопрос по доработке iProg+ Pro v87

Различного рода программаторы, всё что не мультиплексоры.

roma4420

Постоянный
Для предметного обсуждения - прилагайте тест, и картинки. Новички могут размещать картинки методом загрузки их на фотохостинги и получения оттуда BB-CODE который размещается в теме.

Не нужно размещать ссылки на картинку на хостинге, или облачных дисках. Размещайте только BB-CODE - таким образом картинка будет доступна полноценно в теме без подпрыжек.



Здравствуйте, купил iProg Pro v87 на али, синяя плата ничем не залита. При "Fulltest" получаю такие результаты:
дарен, если подскажете, в какую сторону смотреть по доработке.
Код:
-без внешнего питания:



Запуск теста



---  Тест VCC = 3V  ---



ADC0 (контакт 41) = 3.1 V. OK



---  Тест VCC = 5V  ---



ADC0 (контакт 41) = 5.3 V. OK



---  Тест 10/12V  ---



Uвых = 10V



ADC2 (контакт 43) = 6.8 V. НЕИСПРАВНОСТЬ.



ADC3 (контакт 44) = 2.9 V. НЕИСПРАВНОСТЬ.



Uвых = 12V



ADC2 (контакт 43) = 7.1 V. НЕИСПРАВНОСТЬ.



ADC3 (контакт 44) = 3.1 V. НЕИСПРАВНОСТЬ.



---  Тест внешнего питания  ---



НЕИСПРАВНОСТЬ - ВНЕШНЕЕ ПИТАНИЕ НЕ ПОДКЛЮЧЕНО.



---  Тест выводов  ---



PORTD.1 (вывод 6): OK.



PORTE.0 (вывод 7): OK.



PORTE.1 (вывод 8): OK.



PORTE.2 (вывод 9): OK.



PORTE.3 (вывод 10): OK.



PORTE.4 (вывод 23): OK.



PORTE.5 (вывод 24): OK.



PORTE.6 (вывод 25): OK.



PORTE.7 (вывод 27): OK.



PORTD.6 (вывод 5): OK.



PORTA.0 (вывод 20): OK.



PORTA.1 (вывод 21): OK.



PORTA.2 (вывод 22): OK.



PORTB.0 (вывод 19): OK.



PORTB.3 (вывод 18): OK.



PORTA.5 (вывод 2): OK



PORTA.6 (вывод 17): ok



PORTA.7 (вывод 1): ok



PORTB.4 (вывод 16): OK



PORTB.6 (вывод 4): OK



PORTB.5 (вывод 3): OK



------------------------------



 Тест завершен. Ошибок: 5







-с внешним питанием(подаю 12.5 V)



Запуск теста



---  Тест VCC = 3V  ---



ADC0 (контакт 41) = 3.1 V. OK



---  Тест VCC = 5V  ---



ADC0 (контакт 41) = 5.0 V. OK



---  Тест 10/12V  ---



Uвых = 10V



ADC2 (контакт 43) = 12.8 V. НЕИСПРАВНОСТЬ.



ADC3 (контакт 44) = 5.5 V. OK



Uвых = 12V



ADC2 (контакт 43) = 14.4 V. НЕИСПРАВНОСТЬ.



ADC3 (контакт 44) = 6.1 V. OK



---  Тест внешнего питания  ---



Выключено: 0.0 V. OK



Включено: 5.3 V. OK



---  Тест выводов  ---



PORTD.1 (вывод 6): OK.



PORTE.0 (вывод 7): OK.



PORTE.1 (вывод 8): OK.



PORTE.2 (вывод 9): OK.



PORTE.3 (вывод 10): OK.



PORTE.4 (вывод 23): OK.



PORTE.5 (вывод 24): OK.



PORTE.6 (вывод 25): OK.



PORTE.7 (вывод 27): OK.



PORTD.6 (вывод 5): OK.



PORTA.0 (вывод 20): OK.



PORTA.1 (вывод 21): OK.



PORTA.2 (вывод 22): OK.



PORTB.0 (вывод 19): OK.



PORTB.3 (вывод 18): OK.



PORTA.5 (вывод 2): OK



PORTA.6 (вывод 17): ok



PORTA.7 (вывод 1): ok



PORTB.4 (вывод 16): OK



PORTB.6 (вывод 4): OK



PORTB.5 (вывод 3): OK



------------------------------



 Тест завершен. Ошибок: 2



Буду благо
 
Последний раз редактировалось модератором:
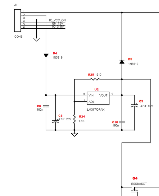
R20 на основной плате вместо 47к?
1685688785612.png

сообщение автоматически склеено:

Вот этот кусок схемы
 
Убрал D3 и поставил 51К на R20. Теперь у меня 5 ошибок :p

Запуск теста
--- Тест VCC = 3V ---
ADC0 (контакт 41) = 3.1 V. OK
--- Тест VCC = 5V ---
ADC0 (контакт 41) = 4.9 V. OK
--- Тест 10/12V ---
Uвых = 10V
ADC2 (контакт 43) = 6.0 V. НЕИСПРАВНОСТЬ.
ADC3 (контакт 44) = 2.7 V. НЕИСПРАВНОСТЬ.
Uвых = 12V
ADC2 (контакт 43) = 6.0 V. НЕИСПРАВНОСТЬ.
ADC3 (контакт 44) = 2.7 V. НЕИСПРАВНОСТЬ.
--- Тест внешнего питания ---
Выключено: 0.0 V. OK
Включено: 4.6 V. НЕИСПРАВНОСТЬ.
--- Тест выводов ---
PORTD.1 (вывод 6): OK.
PORTE.0 (вывод 7): OK.
PORTE.1 (вывод 8): OK.
PORTE.2 (вывод 9): OK.
PORTE.3 (вывод 10): OK.
PORTE.4 (вывод 23): OK.
PORTE.5 (вывод 24): OK.
PORTE.6 (вывод 25): OK.
PORTE.7 (вывод 27): OK.
PORTD.6 (вывод 5): OK.
PORTA.0 (вывод 20): OK.
PORTA.1 (вывод 21): OK.
PORTA.2 (вывод 22): OK.
PORTB.0 (вывод 19): OK.
PORTB.3 (вывод 18): OK.
PORTA.5 (вывод 2): OK
PORTA.6 (вывод 17): ok
PORTA.7 (вывод 1): ok
PORTB.4 (вывод 16): OK
PORTB.6 (вывод 4): OK
PORTB.5 (вывод 3): OK
------------------------------
Тест завершен. Ошибок: 5
 
Ну так правильно а транзисторы кто менять будет после бах кондюка
сообщение автоматически склеено:

Надеюсь конденсатор заменил
сообщение автоматически склеено:

на правильный 100мкф16в
 
Последние изменения:
Всем привет. Недавно стал счастливым, а может и нет обладателем кита. драва все установил. первый запуск все нормально айпрог видит, при подключении платы еепрома уходит в ошибку после этого пишет прибор не найден. судя по другим фото у меня не хватает нескольких компонентов. подскажите как исправить для дальнейшей нормальной работы
2023-6-5 11-35-40.jpg
 
У вас отсутствует эта часть схемы
Q6 - 2N7002
Всем привет. Недавно стал счастливым, а может и нет обладателем кита. драва все установил. первый запуск все нормально айпрог видит, при подключении платы еепрома уходит в ошибку после этого пишет прибор не найден. судя по другим фото у меня не хватает нескольких компонентов. подскажите как исправить для дальнейшей нормальной работыПросмотреть вложение 12756
У вас отсутствует эта часть схемы.
Q6 - 2N7002
 

Вложения

  • CH.png
    CH.png
    10.3 KB · Просмотров: 377
можно по точнее какие и сколько взять для допайки?
Бери шт по 20 AO3400 и AO 3401. LM317 1шт. Диод 2шт SS14. Кондюки 100х16в - 4шт. 47х16в - 1шт. Резистор 1 ом - 3 шт.
сообщение автоматически склеено:

А так 47х16в можешь шт 5 взять они тебе еще на плате епром пригодяться. И 10х10в для рфид адаптера.
 
У вас отсутствует эта часть схемы
Q6 - 2N7002

У вас отсутствует эта часть схемы.
Q6 - 2N7002
Спасибо.
сообщение автоматически склеено:

Бери шт по 20 AO3400 и AO 3401. LM317 1шт. Диод 2шт SS14. Кондюки 100х16в - 4шт. 47х16в - 1шт. Резистор 1 ом - 3 шт.
сообщение автоматически склеено:

А так 47х16в можешь шт 5 взять они тебе еще на плате епром пригодяться. И 10х10в для рфид адаптера.
спасибо
 
Так , а должно быть сколько? Неужели нет оригинальных значений? И конденсаторы по картинке на 20в стоят.

Их вовсе надо не просто на номинал какой то менять, а на качественный, с низким сопротивлением.
 
В этой рекомендации есть один косяк. Чтобы на конденсаторах С3, С4 было 12в нужно поставить резистор R28 не 100 Ом, а 1 кОм. При 100 Ом там на кондюках напряжение будет выше 16в и они хлопнут.
Я еще раз говорю 100ом. И будет все гуд
сообщение автоматически склеено:

Вот образец для понимания
 

Вложения

  • IMG_20230614_115846.jpg
    IMG_20230614_115846.jpg
    849.9 KB · Просмотров: 480
На этом фото резистор с 5той ноги стоит 6.8к (R93), а не 100 ом
А при чем тут 5 я нога, 5,6к либо 6,8к для подгонки напряжения.
1686735581429.png

сообщение автоматически склеено:

Вот тебе ори
 

Вложения

  • 2023-06-14_124608.png
    2023-06-14_124608.png
    641 KB · Просмотров: 555
Последние изменения:
Назад
Верх