PRG - Вопрос по доработке iProg+ Pro v87 | Страница 17 | benzpro
  • Новичкам - картинки загружать на СТОРОННИЕ фотохостинги, и с их помощью получать BB-CODE для встраивания в сообщение форума!
  • Не размещайте фотографии экранов без реальной необходимости. Всегда указывайте КОДЫ неисправности + РАСШИФРОВКА, и если есть - прикладывайте короткий тест с сопутствующими ошибке данными или PDF с ошибкой и сопутствующими данными! Это коротко - ФРИЗЫ.
  • Если вам задали вопрос : КАКАЯ МАШИНА - это значит, что данные, которые вы предоставили в описании никак не описывает конкретную модель, и нужно указывать VIN.

PRG Вопрос по доработке iProg+ Pro v87

Различного рода программаторы, всё что не мультиплексоры.
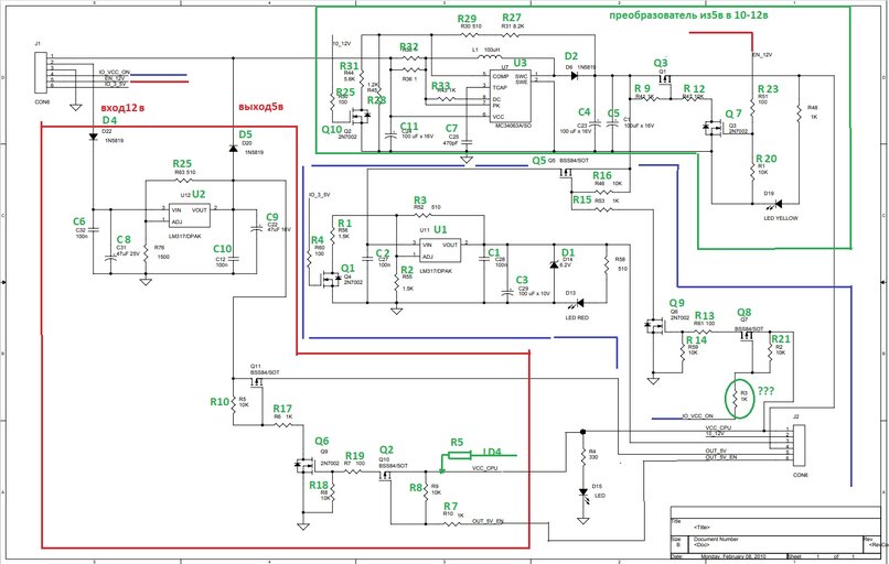
1. Поставьте правильные кондюки.
2. r33 для начала поставьте 300ом, уменьшить всегда можно.
3. r30 , r32 должны быть 3шт по 1ом. В сумме должно получиться 0,33ом
 
Запуск теста с 330 ом и конденсаторами номиналами согласно схемы правда с8 не нашел на 25в поставил пока на 16 (476с) но это контур внешнего питания
--- Тест VCC = 3V ---
ADC0 (контакт 41) = 3.1 V. OK
--- Тест VCC = 5V ---
ADC0 (контакт 41) = 5.0 V. OK
--- Тест 10/12V ---
Uвых = 10V
ADC2 (контакт 43) = 10.4 V. OK
ADC3 (контакт 44) = 5.3 V. OK
Uвых = 12V
ADC2 (контакт 43) = 11.0 V. НЕИСПРАВНОСТЬ.
ADC3 (контакт 44) = 5.6 V. OK
--- Тест внешнего питания ---
НЕИСПРАВНОСТЬ - ВНЕШНЕЕ ПИТАНИЕ НЕ ПОДКЛЮЧЕНО.
--- Тест выводов ---
PORTD.1 (вывод 6): OK.
PORTE.0 (вывод 7): OK.
PORTE.1 (вывод 8): OK.
PORTE.2 (вывод 9): OK.
PORTE.3 (вывод 10): OK.
PORTE.4 (вывод 23): OK.
PORTE.5 (вывод 24): OK.
PORTE.6 (вывод 25): OK.
PORTE.7 (вывод 27): OK.
PORTD.6 (вывод 5): OK.
PORTA.0 (вывод 20): OK.
PORTA.1 (вывод 21): OK.
PORTA.2 (вывод 22): OK.
PORTB.0 (вывод 19): OK.
PORTB.3 (вывод 18): OK.
PORTA.5 (вывод 2): OK
PORTA.6 (вывод 17): ok
PORTA.7 (вывод 1): ok
PORTB.4 (вывод 16): OK
PORTB.6 (вывод 4): OK
PORTB.5 (вывод 3): OK
------------------------------
Тест завершен. Ошибок: 2
сообщение автоматически склеено:

r30 - 1 ом, r32 - бутербродом по 1 ом 2 шт
сообщение автоматически склеено:

Замена R33 на 100 ом подняла напряжения на 0,1 в
сообщение автоматически склеено:

EEPROM понятно с ошибками
Тест установки питания ...
Установка: 2.6 В, Реально: 2.6 В. (0.0) OK 10B = 10.1 OK
Установка: 2.8 В, Реально: 2.7 В. (0.1) OK 10B = 10.0 OK
Установка: 2.9 В, Реально: 2.9 В. (0.0) OK 10B = 10.0 OK
Установка: 3.1 В, Реально: 3.1 В. (0.0) OK 10B = 9.9 OK
Установка: 3.4 В, Реально: 3.5 В. (0.1) OK 10B = 9.9 OK
Установка: 3.8 В, Реально: 3.8 В. (0.0) OK 10B = 9.8 OK
Установка: 4.3 В, Реально: 4.4 В. (0.1) OK 10B = 9.2 OK
Установка: 5.0 В, Реально: 4.9 В. (0.1) OK 10B = 9.5 OK
>>>>>>>>> Тест установки питания ОК
Тест шины данных...
VCC = 5.0 В: Ошибки: 10FF
VCC = 4.3 В: Ошибки: 10FF
VCC = 3.8 В: Ошибки: 10FF
VCC = 3.4 В: Ошибки: 10FF
VCC = 3.1 В: Ошибки: 10FF
VCC = 2.9 В: Ошибки: 10FF
VCC = 2.8 В: Ошибки: 10FF
VCC = 2.6 В: Ошибки: 10FF
>>>>>>>> Тест шины данных завершен...

Тест коммутации GND ...
VCC = 5.0 В: Ошибки: 00FF
VCC = 4.3 В: Ошибки: 00FF
VCC = 3.8 В: Ошибки: 00FF
VCC = 3.4 В: Ошибки: 00FF
VCC = 3.1 В: Ошибки: 00FF
VCC = 2.9 В: Ошибки: 00FF
VCC = 2.8 В: Ошибки: 00FF
VCC = 2.6 В: Ошибки: 00FF
>>>>>>> Тест коммутации GND завершен

Тест коммутации VCC ...
VCC = 5.0 В:
1-8: vcc = 854 OK
8-1: vcc = 854 OK
2-7: vcc = 854 OK
7-2: vcc = 854 OK
3-6: vcc = 829 OK
6-3: vcc = 829 OK
4-5: vcc = 823 OK
5-4: vcc = 829 OK
VCC = 4.3 В:
1-8: vcc = 878 OK
8-1: vcc = 878 OK
2-7: vcc = 878 OK
7-2: vcc = 878 OK
3-6: vcc = 854 OK
6-3: vcc = 854 OK
4-5: vcc = 854 OK
5-4: vcc = 854 OK
VCC = 3.8 В:
1-8: vcc = 896 OK
8-1: vcc = 896 OK
2-7: vcc = 896 OK
7-2: vcc = 896 OK
3-6: vcc = 872 OK
6-3: vcc = 872 OK
4-5: vcc = 872 OK
5-4: vcc = 872 OK
VCC = 3.4 В:
1-8: vcc = 902 OK
8-1: vcc = 908 OK
2-7: vcc = 902 OK
7-2: vcc = 902 OK
3-6: vcc = 884 OK
6-3: vcc = 884 OK
4-5: vcc = 884 OK
5-4: vcc = 890 OK
VCC = 3.1 В:
1-8: vcc = 915 OK
8-1: vcc = 915 OK
2-7: vcc = 915 OK
7-2: vcc = 915 OK
3-6: vcc = 902 OK
6-3: vcc = 902 OK
4-5: vcc = 902 OK
5-4: vcc = 902 OK
VCC = 2.9 В:
1-8: vcc = 921 OK
8-1: vcc = 921 OK
2-7: vcc = 921 OK
7-2: vcc = 921 OK
3-6: vcc = 908 OK
6-3: vcc = 908 OK
4-5: vcc = 908 OK
5-4: vcc = 908 OK
VCC = 2.8 В:
1-8: vcc = 927 OK
8-1: vcc = 927 OK
2-7: vcc = 927 OK
7-2: vcc = 927 OK
3-6: vcc = 915 OK
6-3: vcc = 915 OK
4-5: vcc = 915 OK
5-4: vcc = 915 OK
VCC = 2.6 В:
1-8: vcc = 933 OK
8-1: vcc = 933 OK
2-7: vcc = 933 OK
7-2: vcc = 933 OK
3-6: vcc = 921 OK
6-3: vcc = 921 OK
4-5: vcc = 921 OK
5-4: vcc = 921 OK
>>>>>>> Тест коммутации VCC завершен
 
Тест установки питания ...
Установка: 2.6 В, Реально: 2.6 В. (0.0) OK 10B = 10.1 OK
Установка: 2.8 В, Реально: 2.7 В. (0.1) OK 10B = 10.0 OK
Установка: 2.9 В, Реально: 2.9 В. (0.0) OK 10B = 9.9 OK
Установка: 3.1 В, Реально: 3.1 В. (0.1) OK 10B = 9.9 OK
Установка: 3.4 В, Реально: 3.5 В. (0.1) OK 10B = 9.8 OK
Установка: 3.8 В, Реально: 3.8 В. (0.0) OK 10B = 9.8 OK
Установка: 4.3 В, Реально: 4.4 В. (0.1) OK 10B = 9.2 OK
Установка: 5.0 В, Реально: 4.9 В. (0.1) OK 10B = 9.5 OK
>>>>>>>>> Тест установки питания ОК
Тест шины данных...
VCC = 5.0 В: Ошибки: нет
VCC = 4.3 В: Ошибки: нет
VCC = 3.8 В: Ошибки: нет
VCC = 3.4 В: Ошибки: нет
VCC = 3.1 В: Ошибки: нет
VCC = 2.9 В: Ошибки: нет
VCC = 2.8 В: Ошибки: нет
VCC = 2.6 В: Ошибки: нет
>>>>>>>> Тест шины данных завершен...

Тест коммутации GND ...
VCC = 5.0 В: Ошибки: нет
VCC = 4.3 В: Ошибки: нет
VCC = 3.8 В: Ошибки: нет
VCC = 3.4 В: Ошибки: нет
VCC = 3.1 В: Ошибки: нет
VCC = 2.9 В: Ошибки: нет
VCC = 2.8 В: Ошибки: нет
VCC = 2.6 В: Ошибки: нет
>>>>>>> Тест коммутации GND завершен

Тест коммутации VCC ...
VCC = 5.0 В:
1-8: vcc = 1012 Ошибка !
8-1: vcc = 1012 Ошибка !
2-7: vcc = 1012 Ошибка !
7-2: vcc = 1012 Ошибка !
3-6: vcc = 1006 Ошибка !
6-3: vcc = 1012 Ошибка !
4-5: vcc = 1012 Ошибка !
5-4: vcc = 1012 Ошибка !
VCC = 4.3 В:
1-8: vcc = 1012 Ошибка !
8-1: vcc = 1012 Ошибка !
2-7: vcc = 1012 Ошибка !
7-2: vcc = 1012 Ошибка !
3-6: vcc = 1012 Ошибка !
6-3: vcc = 1012 Ошибка !
4-5: vcc = 1012 Ошибка !
5-4: vcc = 1012 Ошибка !
VCC = 3.8 В:
1-8: vcc = 1012 Ошибка !
8-1: vcc = 1006 Ошибка !
2-7: vcc = 1006 Ошибка !
7-2: vcc = 1006 Ошибка !
3-6: vcc = 1006 Ошибка !
6-3: vcc = 1006 Ошибка !
4-5: vcc = 1006 Ошибка !
5-4: vcc = 1006 Ошибка !
VCC = 3.4 В:
1-8: vcc = 1012 Ошибка !
8-1: vcc = 1012 Ошибка !
2-7: vcc = 1012 Ошибка !
7-2: vcc = 1012 Ошибка !
3-6: vcc = 1012 Ошибка !
6-3: vcc = 1012 Ошибка !
4-5: vcc = 1012 Ошибка !
5-4: vcc = 1012 Ошибка !
VCC = 3.1 В:
1-8: vcc = 1012 Ошибка !
8-1: vcc = 1012 Ошибка !
2-7: vcc = 1012 Ошибка !
7-2: vcc = 1012 Ошибка !
3-6: vcc = 1012 Ошибка !
6-3: vcc = 1012 Ошибка !
4-5: vcc = 1012 Ошибка !
5-4: vcc = 1012 Ошибка !
VCC = 2.9 В:
1-8: vcc = 1012 Ошибка !
8-1: vcc = 1012 Ошибка !
2-7: vcc = 1012 Ошибка !
7-2: vcc = 1012 Ошибка !
3-6: vcc = 1012 Ошибка !
6-3: vcc = 1012 Ошибка !
4-5: vcc = 1012 Ошибка !
5-4: vcc = 1012 Ошибка !
VCC = 2.8 В:
1-8: vcc = 1012 Ошибка !
8-1: vcc = 1012 Ошибка !
2-7: vcc = 1012 Ошибка !
7-2: vcc = 1012 Ошибка !
3-6: vcc = 1012 Ошибка !
6-3: vcc = 1012 Ошибка !
4-5: vcc = 1012 Ошибка !
5-4: vcc = 1012 Ошибка !
VCC = 2.6 В:
1-8: vcc = 1012 Ошибка !
8-1: vcc = 1012 Ошибка !
2-7: vcc = 1012 Ошибка !
7-2: vcc = 1012 Ошибка !
3-6: vcc = 1012 Ошибка !
6-3: vcc = 1012 Ошибка !
4-5: vcc = 1012 Ошибка !
5-4: vcc = 1012 Ошибка !
>>>>>>> Тест коммутации VCC завершен
 
Вы имеете в виду полный тест? Или powertest?
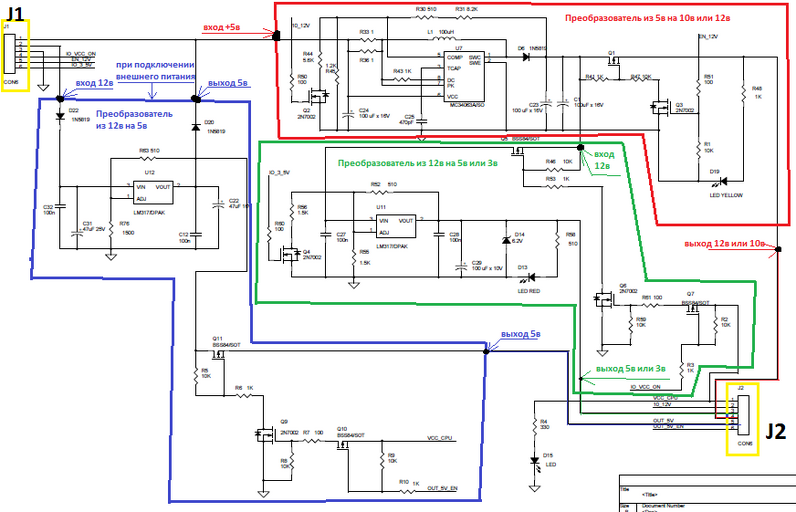
Можете попробовать резистор R29 общий на 12 и 10В отрегулировать. Потом если надо отдельно с R28 на 12В и R31 на 10В
 
pwr = 01
pwr = 00
pwr = 02
pwr = 00
pwr = 04
pwr = 00
pwr = 08
pwr = 00
pwr = 10
pwr = 00
Power = 00000002
Внешнего питания нет
сообщение автоматически склеено:

Запуск теста
--- Тест VCC = 3V ---
ADC0 (контакт 41) = 3.1 V. OK
--- Тест VCC = 5V ---
ADC0 (контакт 41) = 5.0 V. OK
--- Тест 10/12V ---
Uвых = 10V
ADC2 (контакт 43) = 10.2 V. OK
ADC3 (контакт 44) = 5.1 V. OK
Uвых = 12V
ADC2 (контакт 43) = 11.2 V. НЕИСПРАВНОСТЬ.
ADC3 (контакт 44) = 5.8 V. OK
--- Тест внешнего питания ---
НЕИСПРАВНОСТЬ - ВНЕШНЕЕ ПИТАНИЕ НЕ ПОДКЛЮЧЕНО.
--- Тест выводов ---
PORTD.1 (вывод 6): OK.
PORTE.0 (вывод 7): OK.
PORTE.1 (вывод 8): OK.
PORTE.2 (вывод 9): OK.
PORTE.3 (вывод 10): OK.
PORTE.4 (вывод 23): OK.
PORTE.5 (вывод 24): OK.
PORTE.6 (вывод 25): OK.
PORTE.7 (вывод 27): OK.
PORTD.6 (вывод 5): OK.
PORTA.0 (вывод 20): OK.
PORTA.1 (вывод 21): OK.
PORTA.2 (вывод 22): OK.
PORTB.0 (вывод 19): OK.
PORTB.3 (вывод 18): OK.
PORTA.5 (вывод 2): OK
PORTA.6 (вывод 17): ok
PORTA.7 (вывод 1): ok
PORTB.4 (вывод 16): OK
PORTB.6 (вывод 4): OK
PORTB.5 (вывод 3): OK
------------------------------
Тест завершен. Ошибок: 2
 
Да что ж это такое , через раз. Может что с портом. Но опять 11,5 вольта мало нижний предел
Запуск теста
--- Тест VCC = 3V ---
ADC0 (контакт 41) = 3.1 V. OK
--- Тест VCC = 5V ---
ADC0 (контакт 41) = 5.0 V. OK
--- Тест 10/12V ---
Uвых = 10V
ADC2 (контакт 43) = 10.3 V. OK
ADC3 (контакт 44) = 5.1 V. OK
Uвых = 12V
ADC2 (контакт 43) = 11.5 V. OK
ADC3 (контакт 44) = 5.8 V. OK
--- Тест внешнего питания ---
НЕИСПРАВНОСТЬ - ВНЕШНЕЕ ПИТАНИЕ НЕ ПОДКЛЮЧЕНО.
--- Тест выводов ---
PORTD.1 (вывод 6): OK.
PORTE.0 (вывод 7): OK.
PORTE.1 (вывод 8): OK.
PORTE.2 (вывод 9): OK.
PORTE.3 (вывод 10): OK.
PORTE.4 (вывод 23): OK.
PORTE.5 (вывод 24): OK.
PORTE.6 (вывод 25): OK.
PORTE.7 (вывод 27): OK.
PORTD.6 (вывод 5): OK.
PORTA.0 (вывод 20): OK.
PORTA.1 (вывод 21): OK.
PORTA.2 (вывод 22): OK.
PORTB.0 (вывод 19): OK.
PORTB.3 (вывод 18): OK.
PORTA.5 (вывод 2): OK
PORTA.6 (вывод 17): ok
PORTA.7 (вывод 1): ok
PORTB.4 (вывод 16): OK
PORTB.6 (вывод 4): OK
PORTB.5 (вывод 3): OK
------------------------------
Тест завершен. Ошибок: 1
 
Да что ж это такое , через раз. Может что с портом. Но опять 11,5 вольта мало нижний предел
Запуск теста
--- Тест VCC = 3V ---
ADC0 (контакт 41) = 3.1 V. OK
--- Тест VCC = 5V ---
ADC0 (контакт 41) = 5.0 V. OK
--- Тест 10/12V ---
Uвых = 10V
ADC2 (контакт 43) = 10.3 V. OK
ADC3 (контакт 44) = 5.1 V. OK
Uвых = 12V
ADC2 (контакт 43) = 11.5 V. OK
ADC3 (контакт 44) = 5.8 V. OK
--- Тест внешнего питания ---
НЕИСПРАВНОСТЬ - ВНЕШНЕЕ ПИТАНИЕ НЕ ПОДКЛЮЧЕНО.
--- Тест выводов ---
PORTD.1 (вывод 6): OK.
PORTE.0 (вывод 7): OK.
PORTE.1 (вывод 8): OK.
PORTE.2 (вывод 9): OK.
PORTE.3 (вывод 10): OK.
PORTE.4 (вывод 23): OK.
PORTE.5 (вывод 24): OK.
PORTE.6 (вывод 25): OK.
PORTE.7 (вывод 27): OK.
PORTD.6 (вывод 5): OK.
PORTA.0 (вывод 20): OK.
PORTA.1 (вывод 21): OK.
PORTA.2 (вывод 22): OK.
PORTB.0 (вывод 19): OK.
PORTB.3 (вывод 18): OK.
PORTA.5 (вывод 2): OK
PORTA.6 (вывод 17): ok
PORTA.7 (вывод 1): ok
PORTB.4 (вывод 16): OK
PORTB.6 (вывод 4): OK
PORTB.5 (вывод 3): OK
------------------------------
Тест завершен. Ошибок: 1
Попробуйте заменить дросель.
 
Попробуйте заменить дросель.
на какой, а то разные предложение по форумам
сообщение автоматически склеено:

Шнур нужен не длиннее 40 см для айпрога
посмотрю завтра по магазинам может чего найду с экраном
сообщение автоматически склеено:

на какой, а то разные предложение по форумам
сообщение автоматически склеено:


посмотрю завтра по магазинам может чего найду с экраном
хотя шнурки и от кесс и ктаг, а результат один
 
на какой, а то разные предложение по форумам
сообщение автоматически склеено:
я у себя нашёл на 150, на форумах тут говорят 40 достаточно, на другом рекомендуют 220. У вас осциллограф есть? на мс с третьей ноги на конденсатор идёт задающий частоту, в нём ещё может быть проблема, по схеме 0.1нф, в реале хз какой воткнули.
 
я у себя нашёл на 150, на форумах тут говорят 40 достаточно, на другом рекомендуют 220. У вас осциллограф есть? на мс с третьей ноги на конденсатор идёт задающий частоту, в нём ещё может быть проблема, по схеме 0.1нф, в реале хз какой воткнули.
осцилограф есть , ума нету ))
сообщение автоматически склеено:

ошибся с 0.1 видать про другое думал
Вы имеете ввиду с25 но там 470uf
сообщение автоматически склеено:

осцилограф есть , ума нету ))
сообщение автоматически склеено:


Вы имеете ввиду с25 но там 470uf
извиняюсь 470 пф єто 0,5 нф. Или я не прав?
 
можно конденсатором, но это долго и упорно, можно дроселем поднять.
 

Вложения

  • схема питания айпрог к моему варианту.jpg
    схема питания айпрог к моему варианту.jpg
    139.8 KB · Просмотров: 29
Несколько страниц назад выложил даташит чипа. Из школу електроники - чем выше частота - тем меньше индуктор нужен, а габарит индуктора - ето компромис между диаметра провода и количество виток. Чем больше диаметр провода- тем больше ток сможет нести.

470пф - где-то >50 кГц частота, при такой частоте, дросель не нужен очень большой - 40-50 мкГ норм.
Ради интереса, заказал китаец - посмотрим что можно сделать :)
 
Несколько страниц назад выложил даташит чипа. Из школу електроники - чем выше частота - тем меньше индуктор нужен, а габарит индуктора - ето компромис между диаметра провода и количество виток. Чем больше диаметр провода- тем больше ток сможет нести.

470пф - где-то >50 кГц частота, при такой частоте, дросель не нужен очень большой - 40-50 мкГ норм.
Ради интереса, заказал китаец - посмотрим что можно сделать :)
Не могу ни оспорить не подтвердить, не учился, знания заканчиваются на, как что выглядит. Но глядя на чужие схемы преобразователей на этой микросхеме, не всё так однозначно с индуктором. Возможно попадаются схемы таких же специалистов как и я.
 
Назад
Верх